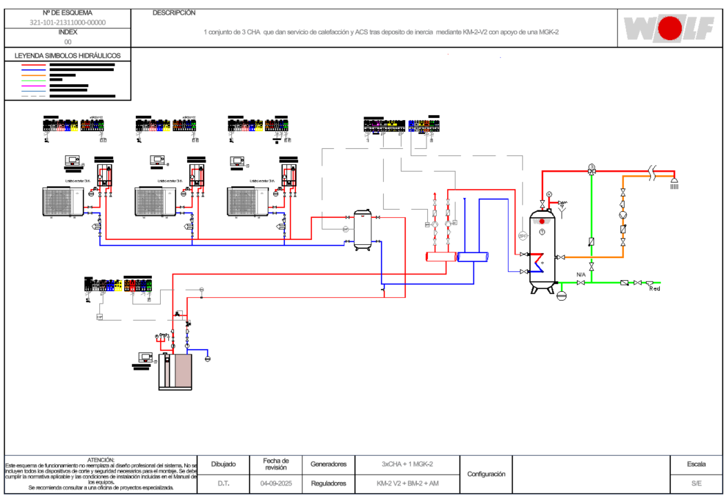
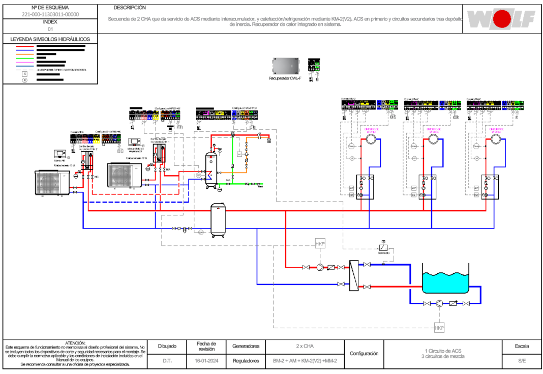
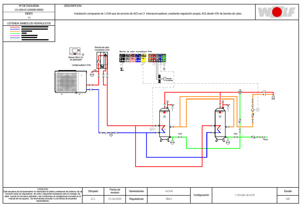
Esquemas
Hola, Sr
Cerrar Sesión
Borrar filtro
Generador de calor principal
MGK-2 130-300, 390-1000
CGB-2 68, 75, 100
CGB-2 38/55
CGB-2 14/20/24
CGW-2 14/20/24
CGS-2 14/20/24
FGB/FGB-K 28/35
COB-2 (TS) 15, 20, 29
TOB(TS) 18
CHA 7/10/16/20/20/24
BWL-1S(B)
FHA
FHS-HE
FHS-S
COB
BWL-1 A / I
Ninguno
TGB
BWW-1
COB-2 15, 20, 29, 40
MHA-2/3
Generador no Wolf
CNK/CHK
BWS-1
MHA-L
Generador de calor secundario
MGK-2 130-300, 390-1000
CGB-2 68, 75, 100
CGB-2 38/55
CGB-2 14/20/24
CGW-2 14/20/24
CGS-2 14/20/24
FGB/FGB-K 28/35
COB-2 40
COB-2 (TS) 15, 20, 29
TOB(TS) 18
CHA 7/10/16/20/20/24
BWL-1S(B)
MHA-2
FHA
FHS-HE
FHS-S
Generador no wolf
COB
CGB
CGS
BWL-1 A / I
Ninguno
TGB
BWW-1
COB-2 15, 20, 29, 40
MHA-2/3
Generador no Wolf
CNK/CHK
BWS-1
MHA-L
Separación
NO
Aguja Hidráulica
Depósito de Inercia (paralelo)
BSP multienergía
Intercambiador de Placas
Colector comun corrido
Depósito de Inercia en línea
Aguja + Inercia
Configuración 16 KM-2 V2
Inerica (Eq Ppal) + Int Placas (Eq Sec)
Control
NO
SI control Wolf
SI control 0-10V
Mixto
Producción ACS
Sin ACS
Mixta instantánea
Acumulador + V3vías + Sonda
Acumulador + Bomba + Sonda
BSP en instantáneo
Intercambiador de Placas
FHS
Acumulador de ACS CEW-2/SI-200
FHS + Interacumulador
Acumuladores + V3vías + Bomba + Sonda
Acumuladores + Bomba + Sonda
Instantánea
2 Interacumuladores + Bomba + Sonda
3 Interacumuladores + Bomba + Sonda
2 Interacumuladores + Bomba + Sonda + Acumulador
BSH
Nº Circuitos directos
1
0
Nº Circuitos mezcla
1
2
3
4
5
6
7
0
Nº Sondas ambiente
1
2
3
4
5
6
7
8
0
Extras
Sin ventilación
Ventilación VMC CWL-(F)
Ventilación sala
Ventilación VMC CWL-(F) + Ventilación sala
Solar
No
Solar Standard
Kit Solar Top
Kit Drain Back
Depósito ACS
0
1
2
Piscina
Si
No
Disipador
Si
No
Otra disipación
Si
No
Extras piscina
No
Si
Borrar filtro
Generador de calor principal
Generador nº1
Generador nº2
Separación
NO
Aguja Hidráulica
Depósito de Inercia (paralelo)
BSP multienergía
Intercambiador de Placas
Colector comun corrido
Depósito de Inercia en línea
Aguja + Inercia
Configuración 16 KM-2 V2
Inerica (Eq Ppal) + Int Placas (Eq Sec)
Control
NO
SI control Wolf
SI control 0-10V
Mixto
Producción ACS
Sin ACS
Mixta instantánea
Acumulador + V3vías + Sonda
Acumulador + Bomba + Sonda
BSP en instantáneo
Intercambiador de Placas
FHS
Acumulador de ACS CEW-2/SI-200
FHS + Interacumulador
Acumuladores + V3vías + Bomba + Sonda
Acumuladores + Bomba + Sonda
Instantánea
2 Interacumuladores + Bomba + Sonda
3 Interacumuladores + Bomba + Sonda
2 Interacumuladores + Bomba + Sonda + Acumulador
BSH
Nº Circuitos directos
1
0
Nº Circuitos mezcla
1
2
3
4
5
6
7
0
Nº Sondas ambiente
1
2
3
4
5
6
7
8
0
Extras
Sin ventilación
Ventilación VMC CWL-(F)
Ventilación sala
Ventilación VMC CWL-(F) + Ventilación sala
Solar
No
Solar Standard
Kit Solar Top
Kit Drain Back
Depósito ACS
0
1
2
Piscina
Si
No
Disipador
Si
No
Otra disipación
Si
No
Extras piscina
No
Si
Wolf
Solicitar esquema
CHA 7/10/16/20/20/24
CHA 7/10/16/20/20/24
CHA 7/10/16/20/20/24
TGB
CHA 7/10/16/20/20/24
CHA 7/10/16/20/20/24
CHA 7/10/16/20/20/24
Ninguno
Ninguno
Ninguno
CHA 7/10/16/20/20/24
FHA
FHA
Ninguno
COB-2 15, 20, 29, 40
Ninguno
FHA
Ninguno
FHA
Ninguno
CGB-2 38/55
Ninguno
COB-2 15, 20, 29, 40
Ninguno
COB-2 15, 20, 29, 40
COB-2 15, 20, 29, 40
COB-2 15, 20, 29, 40
Ninguno
FHA
FGB/FGB-K 28/35
FHA
FGB/FGB-K 28/35
CHA 7/10/16/20/20/24
Ninguno
CHA 7/10/16/20/20/24
Ninguno
COB-2 15, 20, 29, 40
Ninguno
CGB-2 38/55
Ninguno
CHA 7/10/16/20/20/24
COB-2 15, 20, 29, 40
CHA 7/10/16/20/20/24
Ninguno
CGB-2 38/55
Ninguno
CGB-2 38/55
Ninguno
FHA
Ninguno
FHA
Ninguno
BWL-1S(B)
Ninguno
FHA
Ninguno
CGB-2 68, 75, 100
Ninguno
CHA 7/10/16/20/20/24
CHA 7/10/16/20/20/24
MGK-2 130-300, 390-1000
Ninguno
CHA 7/10/16/20/20/24
Ninguno
CHA 7/10/16/20/20/24
Ninguno
MGK-2 130-300, 390-1000
Ninguno
CHA 7/10/16/20/20/24
CGB-2 68, 75, 100
FGB/FGB-K 28/35
Ninguno
MGK-2 130-300, 390-1000
Ninguno
CHA 7/10/16/20/20/24
Ninguno
BWL-1S(B)
CGB-2 38/55
CHA 7/10/16/20/20/24
COB-2 40
BWL-1S(B)
Ninguno
CHA 7/10/16/20/20/24
CHA 7/10/16/20/20/24
MGK-2 130-300, 390-1000
Ninguno
CGB-2 68, 75, 100
Ninguno
CGB-2 68, 75, 100
Ninguno
MGK-2 130-300, 390-1000
CHA 7/10/16/20/20/24
FHA
Ninguno
CGB-2 14/20/24
Ninguno
FHA
COB-2 40
CHA 7/10/16/20/20/24
Ninguno
CHA 7/10/16/20/20/24
Ninguno
FHA
Ninguno
CHA 7/10/16/20/20/24
Generador no wolf
CHA 7/10/16/20/20/24
COB-2 40
FHA
Generador no wolf
FHA
Generador no wolf
CHA 7/10/16/20/20/24
CGB-2 68, 75, 100
FHA
Ninguno
CHA 7/10/16/20/20/24
Generador no wolf
CHA 7/10/16/20/20/24
Ninguno
CHA 7/10/16/20/20/24
COB-2 40
FHA
Ninguno
FHA
Ninguno
FGB/FGB-K 28/35
Ninguno
CGB-2 68, 75, 100
Ninguno
CGB-2 68, 75, 100
Ninguno
CHA 7/10/16/20/20/24
Ninguno
FGB/FGB-K 28/35
Ninguno
CHA 7/10/16/20/20/24
MGK-2 130-300, 390-1000
FHA
Generador no wolf
FHA
Generador no wolf
CHA 7/10/16/20/20/24
Generador no wolf
FHA
Generador no wolf
CHA 7/10/16/20/20/24
Generador no wolf
CGB-2 68, 75, 100
Ninguno
FGB/FGB-K 28/35
Ninguno
CGB-2 68, 75, 100
Ninguno
CHA 7/10/16/20/20/24
Ninguno
MHA-2/3
CHA 7/10/16/20/20/24
COB-2 (TS) 15, 20, 29
Generador no wolf
FHA
Ninguno
CHA 7/10/16/20/20/24
CHA 7/10/16/20/20/24
CGB-2 68, 75, 100
CHA 7/10/16/20/20/24
CHA 7/10/16/20/20/24
CGB-2 38/55
FHA
Ninguno
FHA
Generador no Wolf
CGB-2 38/55
Ninguno
CHA 7/10/16/20/20/24
CGB
FGB/FGB-K 28/35
FHS-HE
FGB/FGB-K 28/35
FHS-S
CGB-2 68, 75, 100
CHA 7/10/16/20/20/24
CHA 7/10/16/20/20/24
FHA
FGB/FGB-K 28/35
Ninguno
CHA 7/10/16/20/20/24
Ninguno
CHA 7/10/16/20/20/24
CGB-2 68, 75, 100
MHA-2/3
CHA 7/10/16/20/20/24
FHA
Ninguno
CHA 7/10/16/20/20/24
Ninguno
BWS-1
Ninguno
CHA 7/10/16/20/20/24
Ninguno
FHA
Ninguno
CHA 7/10/16/20/20/24
CGB-2 38/55
FHA
COB-2 40
MGK-2 130-300, 390-1000
CHA 7/10/16/20/20/24
CHA 7/10/16/20/20/24
CHA 7/10/16/20/20/24
CHA 7/10/16/20/20/24
Ninguno
CHA 7/10/16/20/20/24
Ninguno
CHA 7/10/16/20/20/24
CGB-2 14/20/24
CHA 7/10/16/20/20/24
MGK-2 130-300, 390-1000
FGB/FGB-K 28/35
Ninguno
COB-2 15, 20, 29, 40
CHA 7/10/16/20/20/24
COB-2 15, 20, 29, 40
CHA 7/10/16/20/20/24
MHA-2/3
MGK-2 130-300, 390-1000
MHA-2/3
CHA 7/10/16/20/20/24
MHA-2/3
CHA 7/10/16/20/20/24
BWW-1
Ninguno
CHA 7/10/16/20/20/24
Ninguno
CHA 7/10/16/20/20/24
CGB-2 68, 75, 100
FHA
Ninguno
CHA 7/10/16/20/20/24
Ninguno
CHA 7/10/16/20/20/24
Ninguno
CHA 7/10/16/20/20/24
Generador no wolf
CHA 7/10/16/20/20/24
CGB-2 68, 75, 100
CHA 7/10/16/20/20/24
Ninguno
CHA 7/10/16/20/20/24
Ninguno
CHA 7/10/16/20/20/24
Ninguno
CHA 7/10/16/20/20/24
Ninguno
CHA 7/10/16/20/20/24
Ninguno
CHA 7/10/16/20/20/24
CGB-2 68, 75, 100
COB-2 15, 20, 29, 40
Ninguno
MGK-2 130-300, 390-1000
CHA 7/10/16/20/20/24
CGB-2 68, 75, 100
Ninguno
CHA 7/10/16/20/20/24
Ninguno
CHA 7/10/16/20/20/24
CGB-2 68, 75, 100
CHA 7/10/16/20/20/24
Generador no wolf
MHA-2/3
MGK-2 130-300, 390-1000
CHA 7/10/16/20/20/24
Ninguno
FHA
FGB/FGB-K 28/35
FHA
FGB/FGB-K 28/35
CHA 7/10/16/20/20/24
Ninguno
MGK-2 130-300, 390-1000
CHA 7/10/16/20/20/24
CHA 7/10/16/20/20/24
Ninguno
CHA 7/10/16/20/20/24
Ninguno
CHA 7/10/16/20/20/24
CGB
CHA 7/10/16/20/20/24
MGK-2 130-300, 390-1000
FHA
Ninguno
FHA
CHA 7/10/16/20/20/24
COB-2 15, 20, 29, 40
Ninguno
MGK-2 130-300, 390-1000
Generador no wolf
COB-2 15, 20, 29, 40
Ninguno
CGB-2 68, 75, 100
Ninguno
FHA
Ninguno
FHA
Ninguno
CHA 7/10/16/20/20/24
Generador no wolf
MGK-2 130-300, 390-1000
Ninguno
MGK-2 130-300, 390-1000
Ninguno
MGK-2 130-300, 390-1000
Ninguno
CHA 7/10/16/20/20/24
CHA 7/10/16/20/20/24
Ninguno
Ninguno
FGB/FGB-K 28/35
Ninguno
CGB-2 38/55
Ninguno
CGB-2 38/55
Ninguno
CHA 7/10/16/20/20/24
Ninguno
CHA 7/10/16/20/20/24
CGB-2 68, 75, 100
CGB-2 38/55
Ninguno
CGB-2 38/55
Ninguno
CHA 7/10/16/20/20/24
CGB-2 38/55
Ninguno
Ninguno
MHA-2/3
CGB-2 68, 75, 100
CGB-2 38/55
FGB/FGB-K 28/35
CGB-2 68, 75, 100
FHS-S
MGK-2 130-300, 390-1000
Ninguno
MGK-2 130-300, 390-1000
Ninguno
BWL-1S(B)
CGB-2 14/20/24
CHA 7/10/16/20/20/24
Ninguno
MGK-2 130-300, 390-1000
MHA-2/3
MGK-2 130-300, 390-1000
MHA-2/3
CGB-2 38/55
Ninguno
CHA 7/10/16/20/20/24
Generador no wolf
CHA 7/10/16/20/20/24
Generador no wolf
FHA
COB-2 15, 20, 29, 40
CHA 7/10/16/20/20/24
MGK-2 130-300, 390-1000
CHA 7/10/16/20/20/24
MHA-2/3
CHA 7/10/16/20/20/24
Ninguno
CGS-2 14/20/24
Ninguno
CHA 7/10/16/20/20/24
MGK-2 130-300, 390-1000
COB-2 (TS) 15, 20, 29
Ninguno
BWL-1S(B)
Ninguno
FHA
CGB-2 38/55
CHA 7/10/16/20/20/24
Ninguno
CHA 7/10/16/20/20/24
Ninguno
CHA 7/10/16/20/20/24
Generador no wolf
CHA 7/10/16/20/20/24
Generador no Wolf
FHA
Ninguno
CGB-2 38/55
Ninguno
CGB-2 68, 75, 100
CHA 7/10/16/20/20/24
FHA
Ninguno
FGB/FGB-K 28/35
Ninguno
BWS-1
Ninguno
FHA
Generador no wolf
COB-2 15, 20, 29, 40
Ninguno
CGB-2 68, 75, 100
Ninguno
MGK-2 130-300, 390-1000
MHA-L
MGK-2 130-300, 390-1000
MHA-L
CHA 7/10/16/20/20/24
Ninguno
MGK-2 130-300, 390-1000
CHA 7/10/16/20/20/24
MGK-2 130-300, 390-1000
CHA 7/10/16/20/20/24
MHA-L
CHA 7/10/16/20/20/24
MHA-L
CHA 7/10/16/20/20/24
CHA 7/10/16/20/20/24
MGK-2 130-300, 390-1000
FHA
CNK/CHK
CHA 7/10/16/20/20/24
MGK-2 130-300, 390-1000
MHA-L
CHA 7/10/16/20/20/24
MHA-L
CHA 7/10/16/20/20/24
CHA 7/10/16/20/20/24
Ninguno
CHA 7/10/16/20/20/24
Ninguno
Ninguno
Ninguno
Ninguno
Ninguno
MGK-2 130-300, 390-1000
Ninguno
Ninguno
Ninguno
CHA 7/10/16/20/20/24
Ninguno
CHA 7/10/16/20/20/24
Ninguno
MHA-L
Ninguno
MHA-L
Ninguno
MHA-L
Ninguno
CHA 7/10/16/20/20/24
MGK-2 130-300, 390-1000
CHA 7/10/16/20/20/24
Ninguno